Strona Główna
O nas
Aktualności
Kontakt
Termostaty i sterowniki
Home
›
Ogrzewanie
›
Termostaty i sterowniki
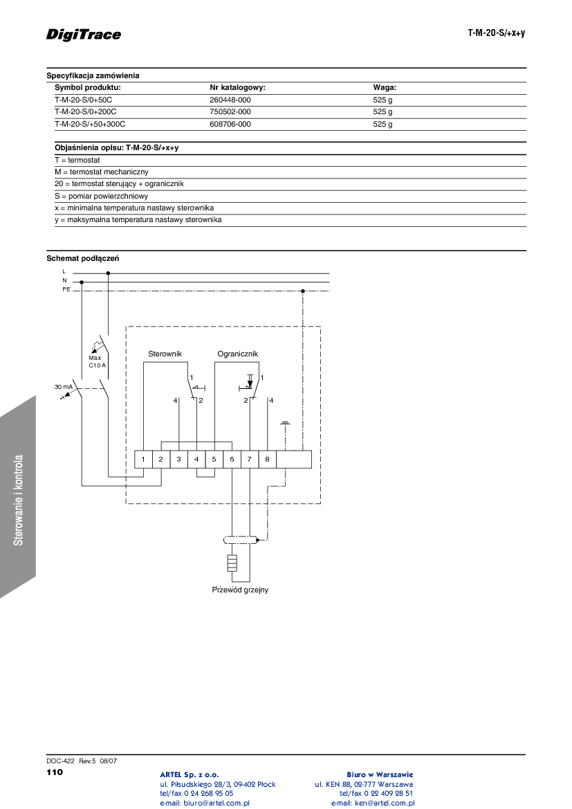
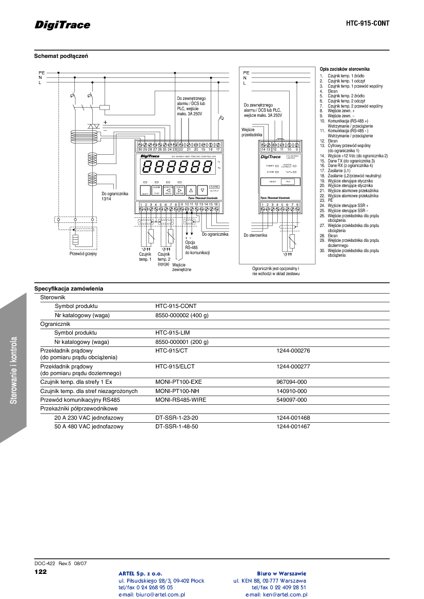
Termostaty i sterowniki:
Ta strona korzysta z ciasteczek aby świadczyć usługi na najwyższym poziomie. Dalsze korzystanie ze strony oznacza, że zgadzasz się na ich użycie.
Zgoda